Author Archives: hasnihan

Dlouhodobé zatěžování kolíků

Kromě dotvarování celých prvků se spoji se zkoušely reologické vlastnosti samotných dubových kolíků.

Vzorky byly tvořeny dvěma smrkovými fošnami spojenými jedním dubovým kolíkem s průměrem d = 16 mm. Tah ve vzorcích byl vyvolán váhou břemene o hmotnosti 120 kg nebo 122 kg. Sledován byl vývoj deformace. první série testů trvala 6 měsíců. Vlhkost vzorků byla pod 12 %. 

Dlouhodobý experiment je ovlivněn okolnostmi z prostředí zkušební haly – průběh ostatních experimentů (především dynamika), vliv na vývoj deformací mohlo mít i teplé/chladné počasí a od toho se odvíjející podmínky v laboratoři. Konečný průhyb se průměrně pohyboval okolo 0,5 mm.

Kolíky ze spoje

Pro správné naladění numerických modelů i analytického modelu bylo nutné znát tuhosti jednotlivých spojovacích prostředů. Proto byly provedeny zkoušky, které simulují jejich zatížení v konstrukci plátového spoje. Kolíky – části původních spojů  byly zkoušeny na ÚTAM AV ČR, v. v. i.

Průběh tlakové zkoušky – kolmo na vlákna byl inspirován EN 383 Dřevěné konstrukce – Zkušební metody – Stanovení pevnosti stěny otvoru a charakteristik stlačitelnosti pro kolíkové spojovací prostředky (předpokládaná Fmax = 15 kN, tj. 0,4Fmax = 6 kN, 0,1Fmax = 1.5 kN, test trval asi 7 min). Pokus o DIC střižné plochy.

Výsledky jsou pro srovnání uvedeny zde.  

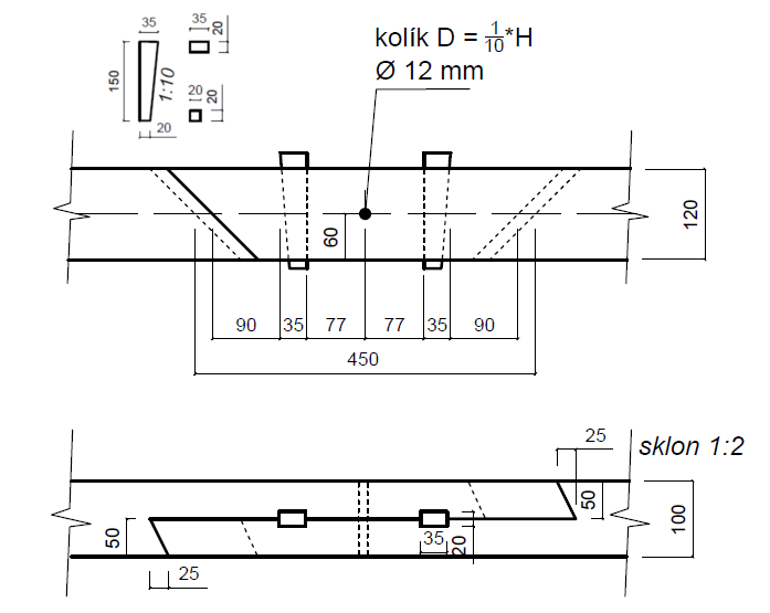
Hmoždík – experimenty

Pro správné naladění numerických modelů i analytického modelu bylo nutné znát tuhosti jednotlivých spojovacích prostředů. Proto byly provedeny zkoušky, které simulují jejich zatížení v konstrukci plátového spoje.

Dubové hmoždíky byly zkoušeny v několika variantách. První zkoušky se zaměřily na hmoždík pro spoje v měřítku 1:1. Hmoždík byl vlepen (později pouze vsazen) do masy okolního měkkého dřeva a zatížen v tlaku. Jako tuhý tlačný element byla nejdříve používána ocelová deska, později se přešlo na blok dřeva, které lépe simuluje skutečný stav. Druhá série experimentů se věnovala menšímu hmoždíku, který velikostně odpovídá spojům v měřítku 1:2. během experimentů byla pořizována fotodokumentace pro DIC, aby bylo možné určit přesnou míru otáčení hmoždíku a deformace v oblasti střižné plochy. 

 

Výsledky experimentu jsou uvedeny pro srovnání s kolíky zde.

 

Ohyb a tlak – experimenty 1:2

Ověřovací experimenty, jejichž výsledky verifikovaly návrhové grafy pro certifikovanou metodiku. Spoje byly namáhány kombinovaným zatížením v tlaku a ohybu. Kombinované zatížení bylo vyvozeno břemenem o hmotnosti 740 kg zavěšeným doprostřed rozpětí trámu se spojem. Poměr ohybového momentu M a normálové síly N byl určen sklonem prvku stejně jako v případě zkoušek v měřítku 1:4.

Zkoušen byl čtyřkolíkový spoj s L2=4h na profilu 100×120 mm ze smrku, kolíky byly bukové, sklon čel 45° a 60°. Úhel a byl v rozmezí <38°,45°>. Po aplikaci zatížení se vyčkávalo, jak dlouho daný vzorek vydrří, protože vyvozené zatížení bylo 2x vyšší, než povoluje návrhový diagram (zelený bod na obrázku dole).

    

Z experimentů jasně vyplynulo, že spoj vyhoví zatížení bezpečně.

Výsledky experimentů jsou vztaženy ke skutečné vlhkosti prvků (12,0 %), mechanické materiálové vlastnosti odpovídají předepsané vlhkosti 12 %.

Ohyb a tah – experimenty 1:2

Ověřovací experimenty, jejichž výsledky verifikovaly návrhové grafy pro certifikovanou metodiku. Spoje byly namáhány kombinovaným zatížením v tahu a ohybu. Tahové zatížení v kombinaci s ohybem bylo vyvozeno břemenem zavěšeným přes kladku na konec trámu se spojem. Jeho hmotnost se postupně zvyšovala tak, aby vyvodila požadovanou kombinaci ohybového momentu M a normálové síly N. Vzájemný poměr vnitřních sil byl korigován nastavením úhlu a a podepřením prvku (vzdálenosti L a L2). Díky sestavě experimentu bylo možné operativně ověřit velké množství kombinací zatížení a porovnat výsledky s numerickým modelem.

Zkoušen byl čtyřkolíkový spoj s L2=4h na profilu 100×120 mm ze smrku, kolíky byly bukové. Úhel a byl v rozmezí <28°,76°>, závaží bylo v rozmezí od 0 do 800 kg, maximální váha podle konfigurace způsobila porušení. Zatěžovalo se postupně dle návrhového diagramu (doc. Fajman, níže). Využito bylo opět i DIC.

Únosnost 4K spoje a návrhové diagramy byly ověřeny. Hodnoty jsou v oblasti tah+ohyb bezpečné. I dvojnásobné zatížení vydržel déle než 20 hodin.

Výsledky destruktivních zkoušek jsou vztaženy ke skutečné vlhkosti vzorků (odborný odhad je 12 %, vzorky dlouhodobě uchovávány v interiéru), materiálové vlastnosti jsou uvedeny pro předepsanou vlhkost 12 %.

Dlouhodobé experimenty

Dotvarování na hale – “koule a cágly”

V návrhové metodice se vychází z Eurokódu a jeho filozofie bezpečnostních koeficientů, které pokrývají také dlouhodobé dotvarování dřeva, které je vystaveno zatížení. Při diskuzi, jak v metodice tuto skutečnost zdůraznit, bylo rozhodnuto o dalších ověřovacích experimentech se zatížení odpovídajícím koeficientu 1 dle návrhových grafů, tj. bez těchto bezpečností. Zkoušené trámky byly osazeny čtyřkolíkovým spojem (100×12×1500 mm) s délkou Lp=4h. Zatížení bylo vyvozeno váhou ocelové koule s hmotností 740 kg (bezpečnost 1) umístěné nesymetricky tak, aby ve spoji byl vyvozen ohybový moment M = 1,4 kNm. Jako srovnávací byla vytvořena druhá sestava se stejným schématech, váha břemena byla však poloviční – vyvozená ocelovým závažím o hmotnosti 370 kg. Sledoval se dlouhodobý vývoj deformace uprostřed rozpětí nosníků. První série zkoušek byla ukončena po 9 měsících. Vlhkost dřeva se pohybovala pod hranicí 12 %. Experimenty pokračují s novými vzorky.

 

Venkovní experiment

V lednu roku 2015 byl instalován experiment, kterým se zkoušelo dlouhodobé chování spoje (deformace trámu sledovaná pomocí DIC). Dva trámy se standardním čtyřkolíkovým spojem Lp=6h byly zatíženy břemenem o hmotnosti 110 kg (1,1 kN – cca 20 % dosažené maximální lineární síly Flin). Navíc byly umístěny ve venkovním prostředí, aby se mohla sledovat jejich reakce na intenzivní změny vlhkosti a teploty. Spoj se choval velice konzistentně, deformace byla menší, než se předpokládalo, a změny vlhkosti trámu kopírovaly počasí v dané lokalitě. Vlhkost byla měřena průběžně díky trvale osazeným trnům zarážecího vlhkoměru, stav okolního prostředí byl monitorován díky údajům ČHMÚ.

Devítikolík v ohybu

Devítikolíkový spoj byl po úspěšné tahové zkoušce ověřen pro srovnání také v ohybu. Tříbodový ohyb byl proveden na vzorku s rozpětím 2,4 m (vliv dispozice stroje), délka spoje byla opět Lp=5,25h a kolíky byly bukové s průměrem d = 16 mm. Únosnost spoje výrazně nenarůstá s počtem kolíků, jak již bylo prokázáno na spojích se dvěma, třemi a čtyřmi kolíky.

Spoj s devíti kolíky je velice tuhý a poškození prvku nastává v oslabeném průřezu.

Výsledky destruktivních zkoušek jsou vztaženy ke skutečné vlhkosti vzorků změřené po zkouškách (11,2 %).

Devítikolík v tahu

Tahová zkouška devítikolíkového spoje proběhla na vzorcích v měřítku 1:2 (100×120×1500 mm) pomocí stroje MTS. Délka spoje byla Lp = 5,2h a devět kolíků z buku mělo průměr d=16 mm. Chování spoje bylo monitorováno pomocí DIC. Jeden ze vzorků byl zatížen extrémně, aby se dosáhlo poškození kolíků. V ostatních případech byl důvod poškození mimo spoj v uchycení vzorku – nedocházelo k žádné nadměrné deformaci okolo kolíků, žádnému rozšíření výsušné trhliny, nebyla pozorována ani žádná iniciace trhliny řadou kolíků.

Výsledky destruktivních zkoušek jsou vztaženy ke skutečné vlhkosti vzorků měřené po zkoušce (9,8 %).

Tahová zkouška dvouhmoždíku 1:2

Při zkouškách šlo o ověření návrhových diagramů v oblasti tahu u hmoždíkových spojů. Jednou z příčin bylo i sledované pootáčení hmoždíku během zkoušek samostatných spojovacích prostředků. Toto pootočení zapřičiňuje, že při vyšších namáháních už nejsou hmoždíky ve spoji namáhány na smyk a jejich tuhostní potenciál není využit. Plně se mohou zapojit pouze v případě, že se od sebe pláty neoddělují. Tomu pomáhají precizně podkosená čela, ne však vždy dostatečně. Kombinace s ohybovým namáháním by působila příznivě.

Spoj byl zkoušen v čistém tahu, rozměr vzozku byl přizpůsoben zatěžovacímu stroji MTS (100×120×1500 mm), hmoždíky byly dubové, kolíky bukové. Délka samotného spoje byla Lp=3,75h, což je nejkratší doporučená délka v metodice pro hmoždíkové spoje. Po první zkoušce byl spoj doplněn dvěma dřevěnými kolíky vsazenými našikmo – ve směru proti zatěžování a opět zatěžován.

Výsledky destruktivních zkoušek jsou vztaženy ke skutečné vlhkosti vzorků – odhad pro dlouhodobě uskladněné vzorky v interiéru je 12,0 %.

Tahové zkoušky hmoždíkových spojů 1:1

Po nedostatečných výsledcích na vzorcích v měřítku 1:2  zkoušených na MTS bylo rozhodnuto snížit tahovou únosnost hmoždíkových spojů výrazným způsobem. Pro skutečně relevantní opravu hranice v návrhových grafech se vyzkoušely i vzorky v měřítku 1:1 (rozměr vzorků 200×240×2500 mm).

Byl testován jednohmoždík i dvouhmoždík, obě varianty bez kolíků (na straně bezpečné). Délka samotného spoje byl Lp=5,75h. Použit byl hydraulický válec MTS FLEX TEST 60 kN, rychlost zatěžování byla 1 mm/min a pootočení hmoždíků bylo monitorováno pomocí DIC.

Při větším průřezu a s větším hmoždíkem jsou spoje méně ovlivnitelné nehomogenitami – trhlina, horší sesazení čel. Únosnost spoje roste nelineárně.

Preciznost provedení je velmi důležitá!

Výsledky destruktivních zkoušek jsou vztaženy ke skutečné vlhkosti vzorků při zkouškách (odborný odhad v interiéru dlouhodobě uskladněných vzorků 12,0 %).