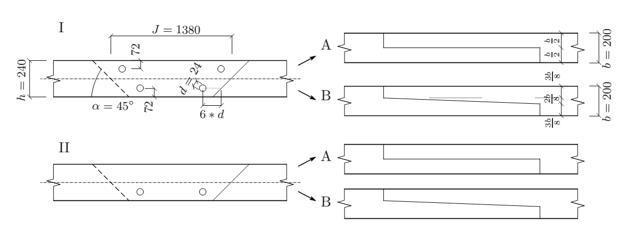
Po nedostatečných výsledcích na vzorcích v měřítku 1:2 zkoušených na MTS bylo rozhodnuto snížit tahovou únosnost hmoždíkových spojů výrazným způsobem. Pro skutečně relevantní opravu hranice v návrhových grafech se vyzkoušely i vzorky v měřítku 1:1 (rozměr vzorků 200×240×2500 mm).
Byl testován jednohmoždík i dvouhmoždík, obě varianty bez kolíků (na straně bezpečné). Délka samotného spoje byl Lp=5,75h. Použit byl hydraulický válec MTS FLEX TEST 60 kN, rychlost zatěžování byla 1 mm/min a pootočení hmoždíků bylo monitorováno pomocí DIC.
Při větším průřezu a s větším hmoždíkem jsou spoje méně ovlivnitelné nehomogenitami – trhlina, horší sesazení čel. Únosnost spoje roste nelineárně.
Preciznost provedení je velmi důležitá!
Výsledky destruktivních zkoušek jsou vztaženy ke skutečné vlhkosti vzorků při zkouškách (odborný odhad v interiéru dlouhodobě uskladněných vzorků 12,0 %).
























